ASS201N Series-

Time:2025-11-25Edit:JFU Bearing
ASS201N Series

ASS201N Series

/uploads/pic/j5u1o3blkbj2297_20251120195250.webp

ASS201N Series

Designations

ASS201N

Included products

Bearing ASS201N Bearing

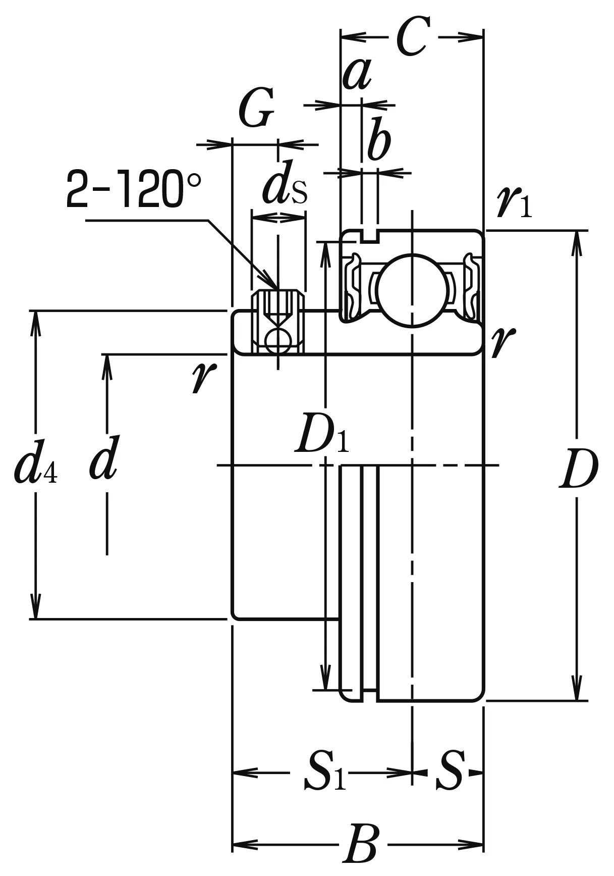
Nominal Dimensions

d 12 mm Bore diameter
D 40 mm Outside diameter
B,B4 22 mm Width of inner ring
C 12 mm Outer ring width
r(min.) 0.6 mm Chamfer dimension
r1(min.) 0.6 mm Chamfer dimension
S1 16 mm Distance from locking device side face to raceway centre
G 4.2 mm Distance face to thread centre
ds M5×0.8 Set screw
d4 24.3 mm Outside diameter of inner ring
D1 38.1 mm Diameter of snap ring groove
a 1.98 mm Distance outer ring from side face to snap ring groove
b 1.5 mm Width of snap ring groove

Basic Load Ratings

Cr 9.6 kN Basic dynamic load rating
C0r 4.6 kN Basic static load rating

Mass

Mass approx. 0.12 kg Mass approx.

Questions?

We are here to help.

admin@jfubearing.com

Get expert sales advice within 12 hours.

💬

+86-15961837791

Chat with us now for a quick response.

Contact us now to get a free quote or estimate.